

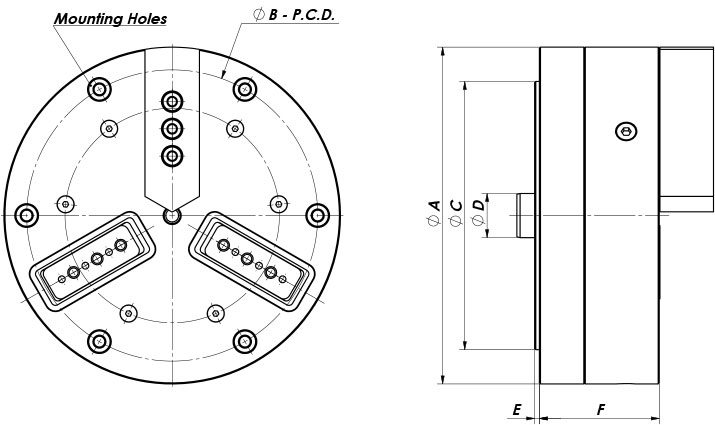
| Main Body | Model | |||||
| F | E | D | C | B (P.C.D.) | A | |
| 53.1 | 2 | 20.6 | 60 | 70 | 87 | 87-2-2.5 BCG |
| 53.1 | 2 | 20.6 | 60 | 70 | 87 | 87-3-2.5 BCG |
| 56.3 | 2 | 20.6 | 82.55 | 88.9 | 107 | 107-2-2.5 BCG |
| 56.3 | 2 | 20.6 | 82.55 | 88.9 | 107 | 107-3-2.5 BCG |
| 60 | 2 | 20.6 | 114.3 | 101.6 | 135 | 135-2-2.5 BCG |
| 60 | 2 | 20.6 | 114.3 | 101.6 | 135 | 135-3-2.5 BCG |
| 55.9 | 2.2 | 20.6 | 125 | 135.75 | 157 | 157-2-2.5 BCG |
| 55.9 | 2.2 | 20.6 | 125 | 135.75 | 157 | 157-3-2.5 BCG |
| 80.8 | 7 | 20.7 | 167.6 | 183 | 214 | 214-3-2.5 BCG |
| 74 | 7 | 20.7 | 215.8 | 233.7 | 265 | 265-3-2.5 BCG |
| Jaws | Model | |||
| Total Gripping Force (kgf) - 6 Bar | Max r.p.m | Stroke on diameter (MM) | No. of jaws | |
| 260 | 3000 | 2.5 | 2 | 87-2-2.5 BCG |
| 260 | 3000 | 2.5 | 3 | 87-3-2.5 BCG |
| 490 | 3500 | 2.5 | 2 | 107-2-2.5 BCG |
| 490 | 4000 | 2.5 | 3 | 107-3-2.5 BCG |
| 950 | 4000 | 2.5 | 2 | 135-2-2.5 BCG |
| 950 | 4000 | 2.5 | 3 | 135-3-2.5 BCG |
| 1055 | 4000 | 2.5 | 2 | 157-2-2.5 BCG |
| 1055 | 3500 | 2.5 | 3 | 157-3-2.5 BCG |
| 2800 | 2000 | 2.5 | 3 | 214-3-2.5 BCG |
| 3150 | 2000 | 2.5 | 3 | 265-3-2.5 BCG |


107-2-2.5 BCG model, 107mm or 4 inch sealed 2 jaw high precision air chuck