

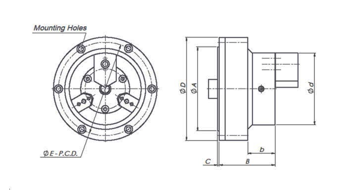
| Main Body | Model | ||||||
| E (P.C.D.) | d | D | C | b | B | A | |
| 104 | 80 | 115 | 2 | 30.5 | 62.5 | 93.5 | 80/115-2-2.5 NBC |
| 104 | 80 | 115 | 2 | 30.5 | 62.5 | 93.5 | 80/115-3-2.5 NBC |
| 114.3 | 105 | 125 | 2 | 32 | 63.5 | 101.6 | 105/125-2-2.5 NBC |
| 114.3 | 105 | 125 | 2 | 32 | 63.5 | 101.6 | 105/125-3-2.5 NBC |
| Jaws | Model | |||
| Total Gripping Force (kgf) - 6 Bar | Max. R.P.M. (r / min) |
Stroke on diameter (MM) | No. of jaws | |
| 550 | 6000 | 2.5 | 2 | 80/115-2-2.5 NBC |
| 550 | 5000 | 2.5 | 3 | 80/115-3-2.5 NBC |
| 675 | 4000 | 2.5 | 2 | 105/125-2-2.5 NBC |
| 675 | 4000 | 2.5 | 3 | 105/125-3-2.5 NBC |