1. Round jaws air chuck comes with integrated air piston. The chuck is hermetically sealed, stronger, and 30% faster than standard T slot one. Chuck size ranges from 64MM up to 170MM. Speed range from 4500 rpm for a large size to over 10,000 rpm for the smallest chuck size.
Accuracy is 0.0005MM or 0.00002".

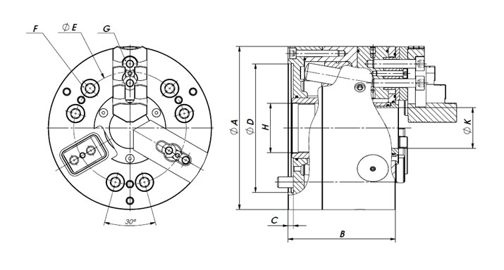
Round Jaws Sealed Air Chuck model 150-3-2.5 RJ: 150MM, 3 jaws, 2.5MM stroke
Mechanical parameters in MM
| Main Body | Model | |||||||
| Max through hole available in mm | G | F | E (P.C.D.) | D | C | B | A | |
| 4 | M5x16 | M4x40 | 54.8 | 50 | 2 | 38.3 | 63.5 | 64-3-2.5 RJ |
| 9 | M5x14 | M5x60 | 70 | 60 | 2 | 53.3 | 80 | 80-3-2.5 RJ |
| 14 | M5x16 | M5x65 | 88.9 | 82.55 | 2 | 61.9 | 100 | 100-3-2.5 RJ |
| 26 | M6x20 | M5x75 | 114.3 | 101.6 | 2.5 | 67 | 125 | 125-3-2.5 RJ |
| 30 | M8x25 | M6x75 | 135.8 | 125 | 2.5 | 70 | 150 | 150-3-2.5 RJ |
| 40 | M8x30 | M6x85 | 155.8 | 125 | 3.3 | 79 | 170 | 170-3-2.5 RJ |
Technical parameters
| Jaws | Model | |||||
| Max RPM (1/min) with standard steel jaws | Max RPM (1/min) with standard aluminum jaws | Max. Gripping Force (kgf) @ 7 Bar | Jaw stroke On Diameter (MM) | Max operating Air Pressure (bars) | Piston stroke (mm) | |
| 7500 | 10500 | 270 | 2 | 7 | 5.9 | 64-3-2.5 RJ |
| 5500 | 7500 | 400 | 2.5 | 7 | 7.6 | 80-3-2.5 RJ |
| 5500 | 7500 | 750 | 2.5 | 7 | 7.6 | 100-3-2.5 RJ |
| 5000 | 7000 | 1200 | 2.5 | 7 | 7.6 | 125-3-2.5 RJ |
| 5000 | 6000 | 1900 | 2.5 | 7 | 7.6 | 150-3-2.5 RJ |
| 4500 | 5000 | 2400 | 2.5 or 3 | 7 | 7.6 or 8.6 | 170-3-2.5 RJ |
2. Round jaws hydraulic chuck draw bar operated. The chuck is hermetically sealed, stronger, and 30% faster than standard T slot one. Chuck size ranges from 130MM up to 150MM. Speed ranges from 6500 to 9000 depends on the chuck size.
Accuracy is 0.002MM or 0.00008".

Above are two models: Left side: sealed chuck 130MM, 2 jaws, 18MM thru hole. Middle and right side, 64MM sealed chuck, 3 jaws.

Mechanical parameters in MM
| Main Body | Model | ||||||||
| Max Through hole available in mm | H | G | F | E (P.C.D.) | D | C | B | A | |
| 26 | M36x1.5 | M8x30 | M6x80 | 82.6 | 100 | 6 | 84 | 130 | 130-3-6.4 RJ(D) |
| 38 | M46x1.6 | M8x40 | M10x85 | 104.8 | 120 | 5 | 100 | 150 | 150-3-6.7 RJ(D) |
Technical parameters
| Jaws | Model | ||||
| Max RPM (1/min) | Max. Pull Force (kG) | Max. Gripping Force (kgf) @ 7 Bar | Jaw stroke On Diameter (MM) | Plunger Stroke | |
| 9000 | 2500 | 5600 | 6.4 | 18.5 | 130-3-6.4 RJ(D) |
| 6500 | 3000 | 6500 | 6.7 | 19 | 150-3-6.7 RJ(D) |