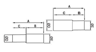
| PROD. NO. | FIG. NO. | A | B | C | ΘD | ΘE | A/F | WT. GMS |
| A 4 H | 1 | 25 | 13 | 12 | 6.8 | 12 | 4 | 10 |
| A 4.5 H | 1 | 25 | 13 | 12 | 7.3 | 12 | 4.5 | 10 |
| A 5 H | 1 | 25 | 13 | 12 | 8 | 12 | 5 | 10 |
| A 5.5 H | 1 | 25 | 13 | 12 | 8.5 | 12 | 5.5 | 10 |
| A 6 H | 1 | 25 | 13 | 12 | 9 | 12 | 6 | 10 |
| A 7 H | 1 | 25 | 13 | 12 | 10.5 | 12 | 7 | 10 |
| A 8 H | 1 | 25 | 13 | 12 | 11.7 | 11 | 8 | 10 |
| A 10 H | 3 | 25 | 11 | 14 | 14 | 12 | 10 | 10 |
| A 11 H | 3 | 25 | 11 | 14 | 16 | 14 | 11 | 20 |
| A 12 H | 3 | 25 | 11 | 14 | 17 | 15 | 12 | 20 |
| A 13 H | 3 | 25 | 11 | 14 | 18 | 16 | 13 | 25 |
| A 14 H | 3 | 25 | 11 | 14 | 19 | 17 | 14 | 30 |
| PROD. NO. | FIG. NO. | A | B | C | ΘD | ΘE | A/F | WT. GMS |
| B 6 H | 1 | 28 | 16 | 12 | 10.3 | 17 | 6 | 25 |
| B 7 H | 1 | 28 | 16 | 12 | 11 | 17 | 7 | 25 |
| B 8 H | 1 | 28 | 16 | 12 | 12 | 17 | 8 | 25 |
| B 9 H | 1 | 28 | 16 | 12 | 13.3 | 17 | 9 | 25 |
| B 10 H | 1 | 28 | 16 | 12 | 14.5 | 17 | 10 | 25 |
| B 11 H | 3 | 28 | 16 | 12 | 16 | 17 | 11 | 25 |
| B 12 H | 3 | 28 | 12 | 16 | 17 | 15.5 | 12 | 25 |
| B 13 H | 3 | 28 | 12 | 16 | 17.8 | 16.5 | 13 | 25 |
| B 14 H | 3 | 28 | 12 | 16 | 19.7 | 17 | 14 | 25 |
| B 17 H | 3 | 30 | 12 | 18 | 23.7 | 20 | 17 | 45 |
| B 19 H | 3 | 30 | 12 | 18 | 26 | 23 | 19 | 60 |
| B 21 H | 3 | 30 | 12 | 18 | 28 | 25 | 21 | 70 |
| B 22 H | 3 | 30 | 12 | 18 | 29.7 | 26 | 22 | 80 |
| HEXAGONAL & BIHEXAGONAL | ||||||||
| PROD. NO. | FIG. NO. | A | B | C | ΘD | ΘE | A/F | WT. GMS |
| 8 | 1 | 36 | 20 | 16 | 12.0 | 22 | 8 | 45 |
| 9 | 1 | 36 | 20 | 16 | 13.0 | 22 | 9 | 45 |
| 10 | 1 | 36 | 20 | 16 | 16.0 | 22 | 10 | 45 |
| 11 | 1 | 36 | 20 | 16 | 17.5 | 22 | 11 | 48 |
| 12 | 1 | 36 | 20 | 16 | 18.7 | 22 | 12 | 50 |
| 13 | 1 | 36 | 20 | 16 | 20.0 | 22 | 13 | 52 |
| 14 | 1 | 36 | 20 | 16 | 21.3 | 22 | 14 | 52 |
| 15 | 2 | 36 | - | - | 22.5 | - | 15 | 52 |
| 16 | 2 | 38 | - | - | 23.5 | - | 16 | 52 |
| 17 | 2 | 38 | - | - | 25.0 | - | 17 | 75 |
| 18 | 2 | 38 | - | - | 25.5 | - | 18 | 70 |
| 19 | 2 | 38 | - | - | 27.5 | - | 19 | 90 |
| 21 | 2 | 40 | - | - | 28.9 | - | 21 | 104 |
| 22 | 2 | 40 | - | - | 31.0 | - | 22 | 125 |
| 23 | 2 | 40 | - | - | 31.3 | - | 23 | 120 |
| 24 | 3 | 43 | 18 | 25 | 32.5 | 30 | 24 | 130 |
| 26 | 3 | 43 | 18 | 25 | 35.2 | 30 | 26 | 140 |
| 27 | 3 | 43 | 18 | 25 | 36.4 | 30 | 27 | 150 |
| 28 | 3 | 43 | 18 | 28 | 37.7 | 30 | 28 | 165 |
| 29 | 3 | 46 | 18 | 28 | 38.9 | 30 | 29 | 165 |
| 30 | 3 | 46 | 18 | 28 | 40.4 | 30 | 30 | 185 |
| 32 | 3 | 46 | 17 | 29 | 42.7 | 30 | 32 | 195 |
| 33 | 3 | 46 | 17 | 29 | 43.9 | 30 | 33 | 195 |
| 34 | 3 | 46 | 17 | 29 | 45.2 | 30 | 34 | 190 |
| HEXAGONAL & BIHEXAGONAL | ||||||||
| PROD. NO. | FIG. NO. | A | B | C | ΘD | ΘE | A/F | WT. GMS |
| 8 | 1 | 36 | 20 | 16.5 | 13.5 | 22 | 8 | 50 |
| 9 | 1 | 36 | 20 | 16.5 | 14.5 | 22 | 9 | 50 |
| 10 | 1 | 36 | 20 | 15.7 | 14.5 | 22 | 10 | 50 |
| 11 | 1 | 38 | 21.5 | 16.5 | 16.7 | 22 | 11 | 50 |
| 12 | 1 | 38 | 21.5 | 16.5 | 17.8 | 22 | 12 | 50 |
| 13 | 1 | 38 | 21.5 | 16.5 | 19.0 | 22 | 13 | 50 |
| 14 | 1 | 38 | 21.5 | 16.5 | 20.2 | 22 | 14 | 50 |
| 15 | 1 | 38 | 21.5 | 16.5 | 21.0 | 22 | 15 | 50 |
| 16 | 3 | 38 | 16 | 22 | 21.8 | 20.5 | 16 | 50 |
| 17 | 3 | 38 | 16 | 22 | 23.8 | 22 | 17 | 60 |
| 18 | 3 | 38 | 16 | 22 | 25.8 | 22 | 18 | 80 |
| 19 | 3 | 38 | 16 | 22 | 25.8 | 22 | 19 | 70 |
| 20 | 3 | 38 | 16 | 22 | 27.8 | 25 | 20 | 80 |
| 21 | 3 | 38 | 16 | 22 | 28.0 | 25 | 21 | 70 |
| 22 | 3 | 38 | 16 | 22 | 29.8 | 26 | 22 | 90 |
| 23 | 3 | 38 | 16 | 22 | 31.8 | 28 | 23 | 115 |
| 24 | 3 | 38 | 16 | 22 | 31.8 | 28 | 24 | 105 |
| 25 | 3 | 40 | 17 | 23 | 33.7 | 30 | 25 | 125 |
| 26 | 3 | 42 | 17 | 25 | 35.5 | 31 | 26 | 158 |
| 27 | 3 | 42 | 17 | 25 | 35.8 | 32 | 27 | 158 |
| 28 | 3 | 44 | 17 | 27 | 37.6 | 33 | 28 | 188 |
| 29 | 3 | 44 | 17 | 27 | 38.0 | 33 | 29 | 180 |
| 30 | 3 | 44 | 16 | 28 | 39.5 | 34 | 30 | 200 |
| 32 | 3 | 44 | 16 | 28 | 41.5 | 36 | 32 | 225 |
| PROD. NO. | FIG. NO. | A | B | C | ΘD | ΘE | A/F | WT. GMS |
| L8H | 1 | 76 | 42 | 34 | 14 | 22 | 8 | 110 |
| L10H | 1 | 76 | 42 | 34 | 16 | 22 | 10 | 110 |
| L11H | 1 | 76 | 42 | 34 | 17 | 22 | 11 | 110 |
| L12H | 1 | 76 | 42 | 34 | 18 | 22 | 12 | 110 |
| L13H | 1 | 76 | 42 | 34 | 19 | 22 | 13 | 115 |
| L14H | 1 | 76 | 42 | 34 | 20.5 | 22 | 14 | 120 |
| L15H | 3 | 76 | 30 | 46 | 22 | 22 | 15 | 120 |
| L16H | 3 | 76 | 30 | 46 | 22 | 22 | 16 | 110 |
| L17H | 3 | 76 | 30 | 46 | 24 | 22 | 17 | 130 |
| L18H | 3 | 76 | 30 | 46 | 26 | 24 | 18 | 160 |
| L19H | 3 | 76 | 30 | 46 | 26 | 24 | 19 | 150 |
| L20H | 3 | 76 | 30 | 46 | 28 | 25 | 20 | 175 |
| L21H | 3 | 76 | 30 | 46 | 28 | 25 | 21 | 165 |
| L22H | 3 | 76 | 30 | 46 | 30 | 26 | 22 | 195 |
| L24H | 3 | 76 | 30 | 46 | 32 | 28 | 24 | 215 |
| L27H | 3 | 76 | 30 | 46 | 36 | 32 | 27 | 280 |
| L30H | 3 | 76 | 30 | 46 | 40 | 28 | 34 | 350 |
| PROD. NO. | FIG. NO. | A | B | C | ΘD | ΘE | A/F | WT. GMS |
| HD 10 | 1 | 36 | 20 | 16 | 17.0 | 22.5 | 10 | 55 |
| HD 11 | 1 | 36 | 20 | 16 | 18.5 | 22.5 | 11 | 60 |
| HD 13 | 1 | 38 | 21 | 17 | 21.2 | 24.0 | 13 | 80 |
| HD 14 | 1 | 38 | 21 | 17 | 22.5 | 24.0 | 14 | 80 |
| HD 17 | 2 | 38 | - | - | 26.5 | - | 17 | 85 |
| HD 19 | 2 | 38 | - | - | 29.3 | - | 19 | 120 |
| HD 22 | 2 | 38 | - | - | 33.3 | - | 22 | 170 |
| EL 10 | - | 150 | 18 | 15 | 16.0 | 23.0 | 10 | 174 |
| LD 18 | 2 | 80 | - | - | 26.5 | - | 18 | 165 |
| LD 24 | 4 | 80 | 25 | 55 | 34.3 | 31.5 | 24 | 280 |
| HEXAGONAL & BIHEXAGONAL | ||||||||
| PROD. NO. | FIG. NO. | A | B | C | ΘD | ΘE | A/F | WT. GMS |
| IM8 | 1 | 36 | 21 | 15 | 13.5 | 25 | 8 | 60 |
| IM9 | 1 | 36 | 21 | 15 | 14.5 | 25 | 9 | 65 |
| IM10 | 1 | 36 | 21 | 15 | 17.0 | 25 | 10 | 65 |
| IM11 | 1 | 36 | 21 | 15 | 18.5 | 25 | 11 | 65 |
| IM12 | 1 | 36 | 21 | 15 | 20.0 | 25 | 12 | 65 |
| IM13 | 1 | 36 | 21 | 15 | 21.5 | 25 | 13 | 75 |
| IM14 | 1 | 36 | 21 | 15 | 22.5 | 25 | 14 | 70 |
| IM15 | 1 | 36 | 21 | 15 | 24.0 | 25 | 15 | 80 |
| IM16 | 2 | 38 | - | - | 25.0 | 25 | 16 | 80 |
| IM17 | 2 | 38 | - | - | 26.5 | 26.5 | 17 | 95 |
| IM18 | 2 | 38 | - | - | 28.0 | 28 | 18 | 105 |
| IM19 | 2 | 38 | - | - | 30.0 | 30 | 19 | 120 |
| IM20 | 3 | 40 | 17 | 23 | 31.0 | 30 | 20 | 125 |
| IM21 | 3 | 40 | 17 | 23 | 32.0 | 30 | 21 | 130 |
| IM22 | 3 | 40 | 17 | 23 | 33.5 | 30 | 22 | 140 |
| IM23 | 3 | 43 | 18 | 25 | 35.0 | 30 | 23 | 165 |
| IM24 | 3 | 43 | 18 | 25 | 36.0 | 30 | 24 | 170 |
| IM26 | 3 | 43 | 18 | 25 | 38.9 | 30 | 26 | 175 |
| IM27 | 3 | 43 | 18 | 25 | 40.0 | 30 | 27 | 180 |
| IM28 | 3 | 46 | 19 | 27 | 42.5 | 30 | 28 | 200 |
| IM29 | 3 | 46 | 19 | 27 | 42.5 | 30 | 29 | 215 |
| IM30 | 3 | 46 | 19 | 27 | 44.0 | 30 | 30 | 220 |
| IM31 | 3 | 46 | 19 | 27 | 44.5 | 30 | 31 | 225 |
| IM32 | 3 | 46 | 19 | 27 | 46.5 | 30 | 32 | 245 |
| PROD. NO. | FIG. NO. | A | B | C | ΘD | ΘE | A/F | WT. GMS |
| SP 16 | 1 | 36 | 20 | 16 | 14.0 | 22.5 | 8 | 50 |
| SP 21 | 1 | 36 | 20 | 16 | 15.0 | 22.5 | 9 | 50 |
| PROD. NO. | FIG. NO. | A | B | C | ΘD | ΘE | A/F | WT. GMS |
| BSH4 | - | - | - | - | - | - | - | - |
| BSH5 | - | - | - | - | - | - | - | - |
| BSH6 | - | - | - | - | - | - | - | - |
| BSH7 | - | - | - | - | - | - | - | - |
| BSH8 | - | - | - | - | - | - | - | - |
| BSH10 | - | - | - | - | - | - | - | - |
| BSH12 | - | - | - | - | - | - | - | - |
| BSH14 | - | - | - | - | - | - | - | - |
| BSH17 | - | - | - | - | - | - | - | - |
| BSH19 | - | - | - | - | - | - | - | - |
| PROD. NO. | FIG. NO. | A | B | C | ΘD | ΘE | A/F | WT. GMS |
| BST10 | - | - | - | - | - | - | - | - |
| BST20 | - | - | - | - | - | - | - | - |
| BST25 | - | - | - | - | - | - | - | - |
| BST27 | - | - | - | - | - | - | - | - |
| BST30 | - | - | - | - | - | - | - | - |
| BST40 | - | - | - | - | - | - | - | - |
| BST45 | - | - | - | - | - | - | - | - |
| BST50 | - | - | - | - | - | - | - | - |
| BST55 | - | - | - | - | - | - | - | - |
| BST60 | - | - | - | - | - | - | - | - |
| HEXAGONAL & BIHEXAGONAL | ||||||||
| PROD. NO. | FIG. NO. | A | B | C | ΘD | ΘE | A/F | WT. GMS |
| C19 | - | - | - | - | - | - | - | - |
| C21 | - | - | - | - | - | - | - | - |
| C22 | 1 | 50 | 30 | 20 | 33.0 | 36 | 22 | 215 |
| C24 | 1 | 50 | 30 | 20 | 35.0 | 36 | 24 | 210 |
| C27 | 2 | 51.5 | - | - | 38.0 | - | 27 | 220 |
| C28 | 3 | 52 | 21 | 31 | 40.0 | 36 | 28 | 235 |
| C29 | 3 | 52 | 21 | 31 | 40.0 | 38 | 29 | 240 |
| C30 | 3 | 54 | 21 | 33 | 42.0 | 38 | 30 | 265 |
| C32 | 3 | 56 | 21 | 35 | 44.0 | 38 | 32 | 300 |
| C34 | 3 | 58 | 22 | 36 | 46.0 | 38 | 34 | 320 |
| C36 | 3 | 58 | 20 | 38 | 50.0 | 42 | 36 | 395 |
| C38 | 3 | 60 | 20 | 40 | 56.0 | 45 | 38 | 450 |
| C41 | 3 | 64 | 24 | 40 | 56.0 | 45 | 42 | 535 |
| C42 | 3 | 64 | 22 | 42 | 58.0 | 45 | 42 | 590 |
| C46 | 3 | 68 | 21 | 47 | 62.0 | 48 | 46 | 685 |
| C50 | 3 | 72 | 24 | 48 | 68.0 | 48 | 50 | 800 |
| C55 | 3 | 76 | 26 | 48 | 74.0 | 48 | 55 | 955 |
| C60 | 3 | 78 | 30 | 48 | 78.0 | 48 | 60 | 910 |
| C65 | 3 | 85 | 30 | 55 | 86.0 | 48 | 65 | 1570 |
| C70 | 3 | 85 | 30 | 55 | 91.5 | 48 | 70 | 1680 |
| PROD. NO. | FIG. NO. | A | B | C | ΘD | ΘE | A/F | WT. GMS |
| D36 | 3 | 60 | 20 | 40 | 50 | 46 | 36 | 400 |
| D38 | 3 | 65 | 22 | 43 | 54 | 46 | 38 | 520 |
| D41 | 3 | 65 | 25 | 40 | 54 | 46 | 46 | 520 |
| D46 | 3 | 75 | 26 | 49 | 65 | 50 | 46 | 830 |
| D50 | 3 | 75 | 26 | 49 | 69 | 56 | 50 | 1050 |
| D55 | 3 | 80 | 28 | 52 | 75 | 56 | 55 | 1200 |
| D60 | 3 | 84 | 30 | 54 | 81 | 56 | 60 | 1350 |
| D65 | 3 | 88 | 30 | 58 | 87 | 56 | 65 | 1550 |
| D70 | 3 | 94 | 30 | 64 | 93 | 68 | 75 | 2500 |
| D75 | 3 | 98 | 34 | 64 | 93 | 68 | 70 | 2100 |
| D80 | 3 | 103 | 34 | 69 | 105 | 68 | 80 | 2600 |